Датчик присутствия B.E.G. PD9-M-DIM-GH-FC (92924)

Бренд
B.E.G. Luxomat
Артикул
92924
Тип датчика
Присутствия
Цвет
белый серебро антрацит
Степень защиты
IP20 (для помещений)
Монтаж
Врезной
EAN
4007529929245
Бренд
B.E.G. Luxomat
Артикул:
92924
Цена:
34303,0 ₽
Заказать
Свяжитесь с нами и мы поможем вам правильно подобрать оборудование и комплектующие
Характеристики
EAN
4007529929245
Тип датчика
Присутствия
Цвет
белый серебро антрацит
Степень защиты
IP20 (для помещений)
Монтаж
Врезной
Вариант установки
Потолочный
Угол обнаружения
360°
Мощность нагрузки, Вт
2300 Вт
Кол-во каналов
1 канал
Дальность обнаружения
3 м
Сенсор
Инфракрасный
Вид питания
220/230В , 0-10В, 1-10В
Мин задержка отключения
60 сек
Макс задержка отключения
30 мин
Бренд
B.E.G. Luxomat
Гарантия
36 мес.
Вес
0.3 кг
Описание

Описание

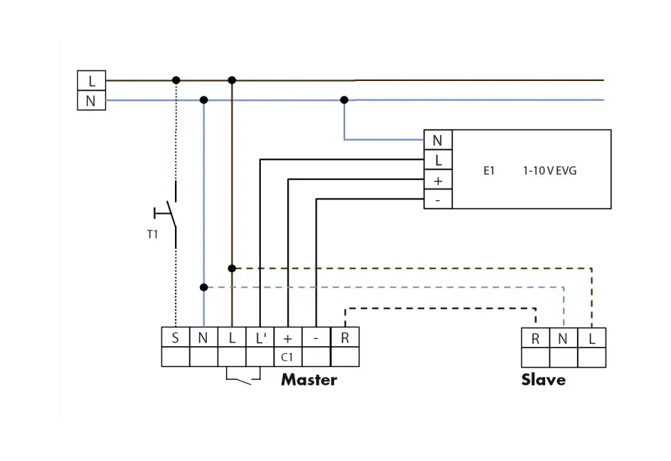
  • Дистанционно управляемый потолочный мини-датчик присутствия PD9-M-DIM-GH-FC в исполнении для диммирования света, для внутреннего применения, в исполнении ведущего устройства, с круговым диапазоном обнаружения и дальностью действия до 5,4 м, идеален для многоярусных складов
  • Удобное и недорогое решение для регулировки постоянного освещения
  • Один канал для коммутации света
  • Выход для диммирования света с интерфейсом 1–10 В постоянного тока
  • Мгновенный ввод в эксплуатацию с помощью заводской программы
  • Функции полностью автоматического или полуавтоматического режимов работы, диммирования света и коммутации выбираются с помощью доступного в качестве аксессуара ИК-пульта дистанционного управления
  • Специальное исполнение с пружинными зажимами для легкого и быстрого встраивания непосредственно в светильники или подвесные потолки

Примеры использования

  • Контроль складов, многоярусных складов с большой монтажной высотой

Технические данные

  • Сетевое напряжение 230V
  • Энергопотребление около 0,5 Вт
  • Диапазон обнаружения 360°
  • Дальность действия перпендикулярно макс. 6 м
  • Степень защиты IP20
  • Габариты Датчик: Ø 36 x В 49 мм. Силовая часть: Д 165 x Ш 24 x В 24 мм
  • Температура окружающей среды от -25°C до +50°C
  • Корпус из высококачественного и устойчивого к УФ поликарбоната
  • Пульты IR-PDim, IR-PD-DIM-Mini, IR-adapter c App (IOS/ Android)
Канал 1
  • Каналы управления 1-10V
  • Коммутационная способность 2300 Bт, cos φ = 1; 1150 BА, cos φ = 0,5
  • Коммутационная способность 1-10V постоянного тока, макс. 50 ЭПРА
  • Настройки времени 1 мин. — 30 мин.
  • Уровень освещенности 10 - 2000 люкс
Галерея
Whatsapp
Telegram
Телефон
Email
Наверх

Связаться с нами
Главная Каталог Корзина
0
Избранное Сравнение