Датчик присутствия ESYLUX PD-C 360i/32 DUO DALI ( EP10427787)
Описание
- Датчик присутствия с углом охвата 360° для потолочного монтажа
- Дальность действия до 32м в диаметре при рекомендованной монтажной высоте 3 м (максимальная монтажная высота 5 м), для установки в больших помещениях и проходах
- Автоматическое управление ЭПРА DALI или DSI для поддержания уровня освещенности в зависимости от присутствия людей и интенсивности дневного света (с выходом DALI/DSI)
- Поддержание постоянного уровня освещенности в зависимости от присутствия людей и яркости дневного света
- Простая настройка параметров, дистанционное управление и документирование с помощью ESY-Pen и приложения ESY
Технические характеристики
| ОБЩИЕ СВЕДЕНИЯ | |
|---|---|
| Категория устройства | Потолочный датчик присутствия |
| Возможно дистанционное управление | |
| Соответствие | CE, EAC, RoHS, SundaHus, WEEE |
| Гарантия | 5 лет |
| МОНТАЖ | |
|---|---|
| Тип монтажа | Скрытый монтаж / приборная коробка (Ø 68 мм) |
| Место установки | потолок |
| Монтажные размеры | Глубина монтажа: 24 мм, Ø 60 мм |
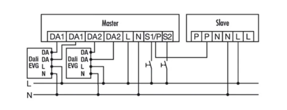
| Тип подключения | штепсельный зажим |
| КОРПУС | |
|---|---|
| Примерные | Высота/глубина 70 мм, Ø 108 мм |
| Масса | 140 г |
| Материал | УФ-стабилизированный поликарбонат |
| Степень защиты |
IP20 в качестве версии для скрытого монтажа,
IP20/IP54 с коробкой для открытой проводки (заказывается отдельно) IP20 как версия для установки на потолок (монтажный комплект заказывается отдельно) |
| Допустимая температура окружающей среды | -25 °C...+50 °C |
| Относительная влажность воздуха | 5-93 % без конденсата |
| Цвет | Белый, по цветовой гамме близок к RAL 9010 |
| ЭЛЕКТРИЧЕСКОЕ ИСПОЛНЕНИЕ | |
|---|---|
| система управления | DALI |
| Класс защиты | II |
| Номинальное напряжение | 230 V ~ / 50 Гц |
| Потребляемая мощность | 0,6 Вт |
| СЕНСОР | |
|---|---|
| Угол обнаружения | 360° |
| диапазоном обнаружения поперек | Ø 32 м |
| диапазоном обнаружения Фронтально | Ø 11 м |
| Угол охвата, диапазон обнаружения | Ø 8 м |
| Угол охвата | вплоть до 805 м² |
| Принят. Высота монтажа | 3 м |
| макс. Высота монтажа | 5 м |
| Яркость | 5 - 2000 lx |
| УПРАВЛЕНИЕ | |
|---|---|
| Кол-во каналов освещения | 2 |
| Кол-во каналов ОВК | 2 |
| Кнопочный вход освещение | 2 |
| Ведомый вход | |
| Режим | Полуавтоматика, полностью автоматический |
| Задержка при переключении от менее яркого освещения к более яркому | 300 сек |
| Задержка при переключении от более яркого освещения к менее яркому | 30 сек |
| Постоянная регулировка освещения | |
| КАНАЛЫ (ОСВЕЩЕНИЕ / ОВК) | |
|---|---|
| Канал | C1 Освещение |
| Функция | Переключение, Регулировка, уменьшение яркости, Broadcast |
| Контакт выключателя | Система шин, 50 мА, макс. 25 Шестерня управления |
| Вход выключателя | |
| Время ожидания | 60 сек...240 мин (ступенчато регулируемый) |
| Ориентирующее освещение | от 10 % до 50 % мощности света |
| Время ожидания ориентирующего освещения | 60 сек...240 мин |
| Канал | C2 Освещение |
| Функция | Переключение, Регулировка, уменьшение яркости, Broadcast |
| Контакт выключателя | Система шин, 50 мА, макс. 25 Шестерня управления |
| Вход выключателя | |
| Время ожидания | 60 сек...240 мин (ступенчато регулируемый) |
| Ориентирующее освещение | от 10 % до 50 % мощности света |
| Время ожидания ориентирующего освещения | 60 сек...240 мин |
| Канал | C3 с аксессуарами (ACTUATOR FULL AUTO C3 DALI) |
| Функция | Переключение |
| Разрывная мощность | 10 A / 12 В пост. тока |
| Контакт выключателя | Замыкающий / беспотенциальный |
| Вход выключателя | |
| Время ожидания | 60 сек...120 мин (ступенчато регулируемый) |
| Канал | C4 с аксессуарами (ACTUATOR SEMI AUTO C4 DALI) |
| Функция | Переключение |
| Разрывная мощность | 10 A / 12 В пост. тока |
| Контакт выключателя | Замыкающий / беспотенциальный |
| Вход выключателя | |
| Время ожидания | 60 сек...120 мин (ступенчато регулируемый) |