Датчик присутствия Steinel HF 360 DALI-2 Application Controller (002817)
Вы едва его видите. Он видит всё.
Идеально подходит для санузлов, раздевалок, лестничных клеток, многоэтажных автостоянок, кухонь. Высота установки до 3,5 м, для включения и выключения освещения. Радиус действия - 1 - 12 м. Вылет регулируется с помощью электроники и может быть ограничен в двух направлениях, обнаружение независимо от температуры, технология HF-сенсора также обнаруживает движение сквозь стеклянные, деревянные перегородки.
Технические характеристики
|
Европейский номер артикула (EAN) |
4007841002817 |
|
Тип |
Детектор присутствия |
|
Размеры (Д х Ш х В) |
120 х 120 х 36 мм
|
|
Подключение к сети |
230 В / 50 - 60 Гц |
|
Сенсор |
Радиочастота |
|
Использование |
Помещение |
|
Назначение |
Функциональная комната / смежная комната,
|
|
Тип монтажа |
Врезной |
|
RF технология |
5,8 ГГц |
|
Электронная масштабируемость |
да |
|
Механическая масштабируемость |
нет |
|
Монтажная высота |
2,50 - 3,50 м |
|
оптимальная высота установки |
2,8 м |
|
Обнаружение |
при необходимости через стекло, дерево и легкие стены |
|
Угол обнаружения |
360° |
|
Угол раскрытия |
160° |
|
Защита от подкрадывания |
да |
|
Гашение в сегментах |
да |
|
Точность настройки |
Для адаптации помещения можно
|
|
Радиальный диапазон |
Ø 12 м (113 м²) |
|
Обучение освещенности |
да |
|
Порог освещенности |
10 - 1000 лк |
|
Настройки времени |
30 с - 30 мин. |
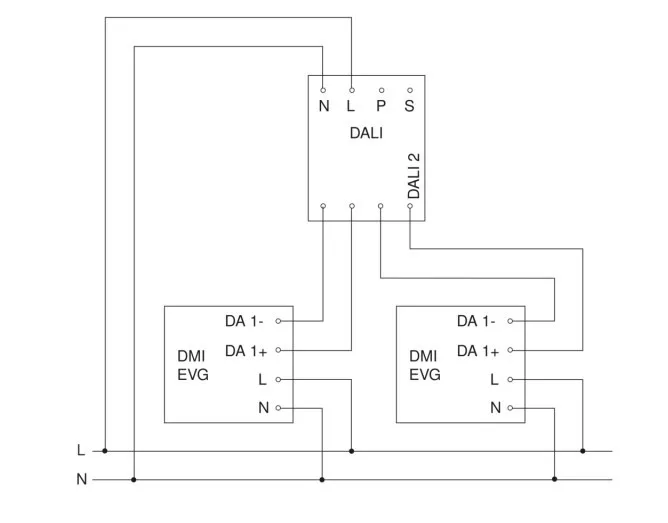
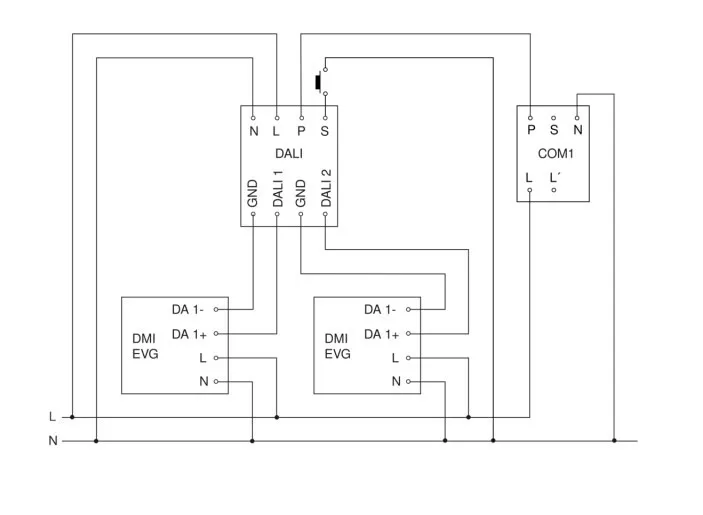
| Контрольный выход, DALI | Трансляция 2х12 электронных балластов |
|
Постоянное управление светом |
да |
|
Основная функция освещения |
да |
|
функции |
Нормальный / тестовый режим,
|
|
Настройки через |
Пульт дистанционного управления,
DIP-переключатели, потенциометры, умный пульт |
|
С дистанционным управлением |
нет |
|
взаимосвязь
|
да |
|
Степень защиты |
IP20 |
|
материал |
пластик |
|
Температура окружающей среды |
От -25 до 55° C |
|
цвет |
белый |
|
Цвет, RAL |
9010 |
|
Гарантия производителя |
5 лет |
|
вариант |
DALI-2 Application Controller |
|
интерфейс |
DALI-2 Application Controller |
|
Сенсорная технология |
Радиочастота |