Таймер цифровой недельный Theben TR 622 top3 (6220130)
Описание функций
- Цифровые таймеры с недельной программой
- Возможна настройка на смартфоне/планшете с помощью приложения
- Передача настроек из приложения на таймер с помощью Bluetooth OBELISK top3
- Максимальная защита от несанкционированного доступа: программы могут быть перенесены в таймер только если Bluetooth OBELISK top3 вставлен в прибор
- Совместимость с серией top2
- 3 специальные программы с годовым циклом
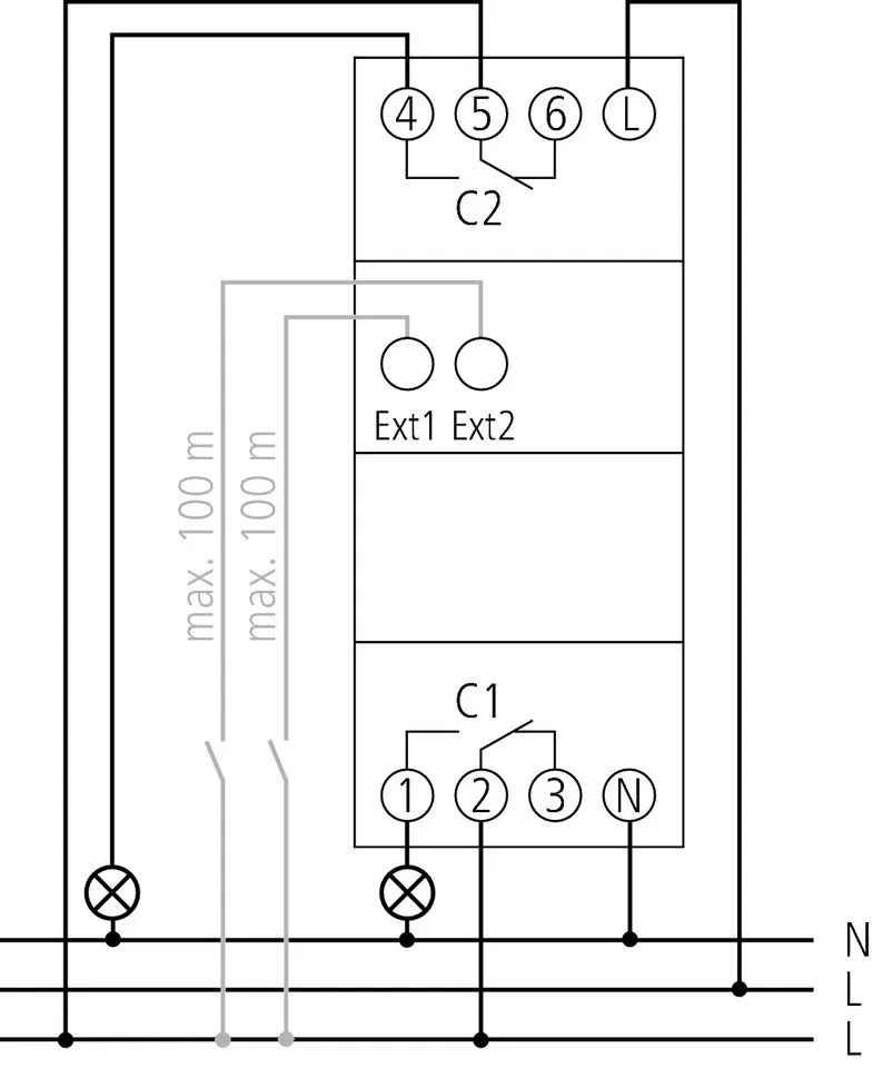
- 2 канала
- 2 дополнительных бинарных входа для подключения кнопок, переключателей, датчиков движения и другой управляющей аппаратуры
- Переключение функций между каналами с заданным интервалом
- Пружинные клеммы DuoFix для 2 проводов каждая
- Однопроволочная или многопроволочная жила (с применением гильз и без них)
- Сечение провода: 0,5 - 2,5 мм²
- Кнопка для легкого извлечения провода
- Текстовое меню настройки прибора
- Предустановленные дата и время, готов к эксплуатации без подключения к сети
- 84 ячейки памяти
- Интерфейс для карты памяти Obelisk top2 (настройка прибора на ПК)
- Запуск программ с карты памяти
- Копирование программ
- Хранение программ
- Ресурс автономного питания 10 лет (литиевая батарея)
- Замыкание реле происходит при нулевом значении тока, что увеличивает срок службы реле и позволяет подключить бОльшую нагрузку (кроме версий приборов на 24В)
- Время Включения/Выключения
- Программа Импульс
- Программа Цикл
- Принудительное переключение
- Переключение Постоянно Включено / Постоянно выключено
- Таймер обратного отсчета
- Встроенный счетчик часов наработки
- Сброс настроек
- Сервисная функция для контроля интервалов технического обслуживания
- Программа праздничных дней, каникул
- Две случайные программы
- Подсветка дисплея (может быть отключена)
- Переключение Постоянно Включено / Постоянно выключено
- Защита PIN кодом
- Автоматический переход на зимнее/летнее время, может быть деактивирована
- Правила переключения времени для Европы, США и других стран, возможность создать собственное правило переключения зимнего/летнего времени
Технические характеристики
| Номинальное напряжение | 230 V AC |
| Частота | 50 – 60 Гц |
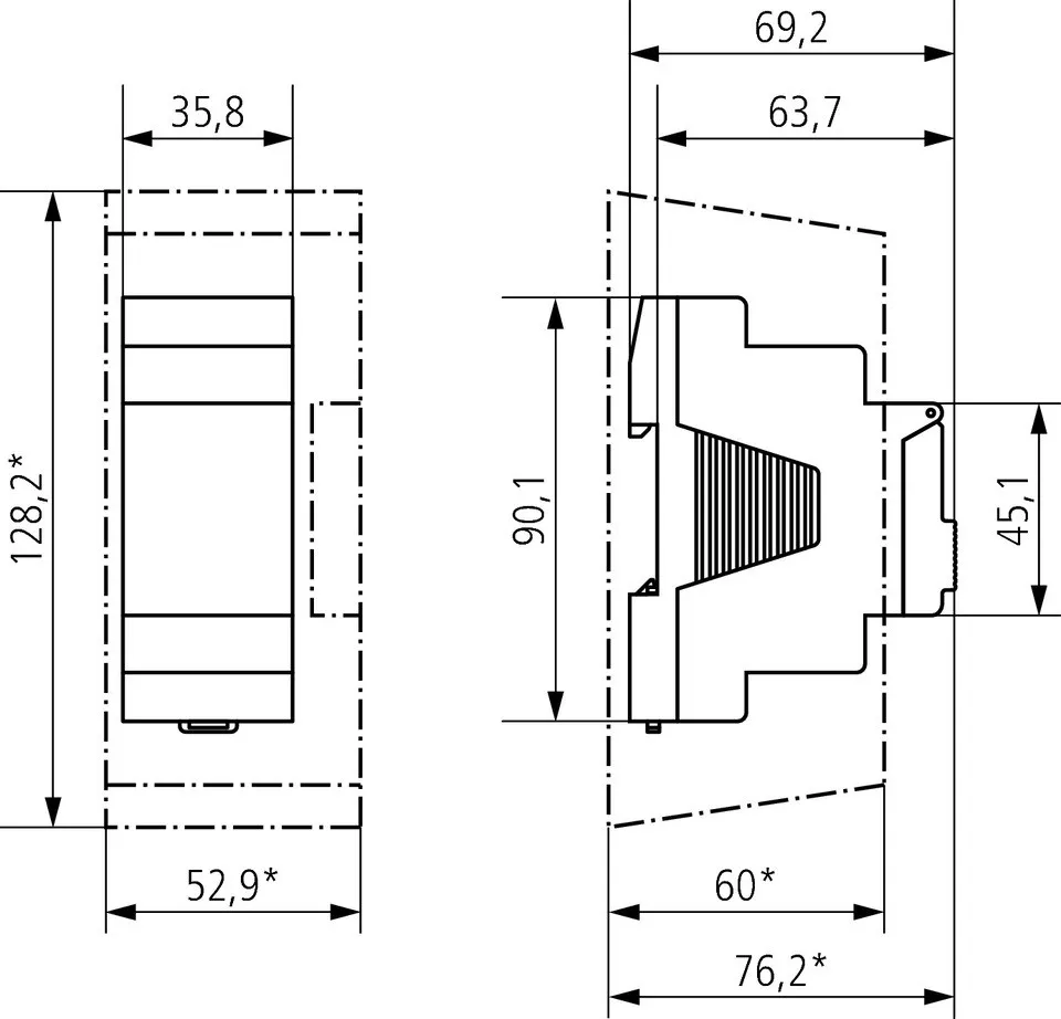
| Ширина | 2 мо́дуль |
| Тип монтажа | DIN рейка |
| Тип контактов | Перекидной контакт |
| Релейный выход | Фазонезависимый |
| Ширина открытия | < 3 mm |
| Программа | Недельная программа |
| Функции программ |
ВКЛ-ВЫКЛ, импульсный, цикл
|
| Количество каналов | 2 |
| Внешние входы | 2 |
| Количество ячеек памяти | 84 |
| Резервное питание | 10 лет |
| Коммутационная способность при 250 В AC, cos φ = 1 | 16 A |
| Коммутационная способность при 250 В AC, cos φ = 0,6 | 10 A |
| Лампы накаливания/галогенные | 2600 Вт |
| Энергосберегающие лампы | 1100 Вт |
| Светодиодные лампы < 2 Вт | 50 Вт |
| Светодиодные лампы 2-8 Вт | 600 Вт |
| Светодиодные лампы > 8 Вт | 600 Вт |
| Мощность выхода включения | макс. 800 A / 200 µs |
| Коммутационная способность мин. | ca. 10 мА |
| Минимальный время переключения | 1 s |
| Точность хода | типичный ± 0,25 сек/день (кварц) |
| вре́мя | Кварц |
| Энергопотребление в режиме ожидания | ~0,4 Вт |
| Тип подключения | Пружинные клеммы DuoFix |
| Дисплей | ЖК-дисплей с подсветкой и текстовой линией |
| Клавиатура | 4 кнопки |
| Материалы корпуса и изоляции | Термостойкий самозатухающий термопластик |
| Степень защиты | IP 20 |
| Класс электрической защиты | II в соответствии с EN 60 730-1 |
| Температура окружающей среды | -30°C ... +55°C |